Lightstar 003451 Светильник MOBILED LED COB 3.5W 270LM 90G БРОНЗА ЗЕЛЕНАЯ 4000K
003451
Основные
Артикул
003451
Бренд
Lightstar
Коллекция
Mobiled
Стиль
- High-tech
Тип светильника по помещению
- Жилая; Общественная
Срок службы, ч
20 000
Тип крепления
Врезной / накладной; Пружинное / на основание
Степень защиты, IP
IP20
Напряжение питания, V
220
Угол рассеивания, град
90
Характеристики света
Общая мощность LED, W
3,5
Световой поток, Lm
270
Цветовая температура, К
4 000
Индекс цветопередачи (Ra)
80
Цвет и материал
Материал каркаса
- Металл
- металл
Материал плафона
- Стекло; Металл
Цвет каркаса
- Зеленая бронза
Цвет плафона
- Матовый; Зеленая бронза
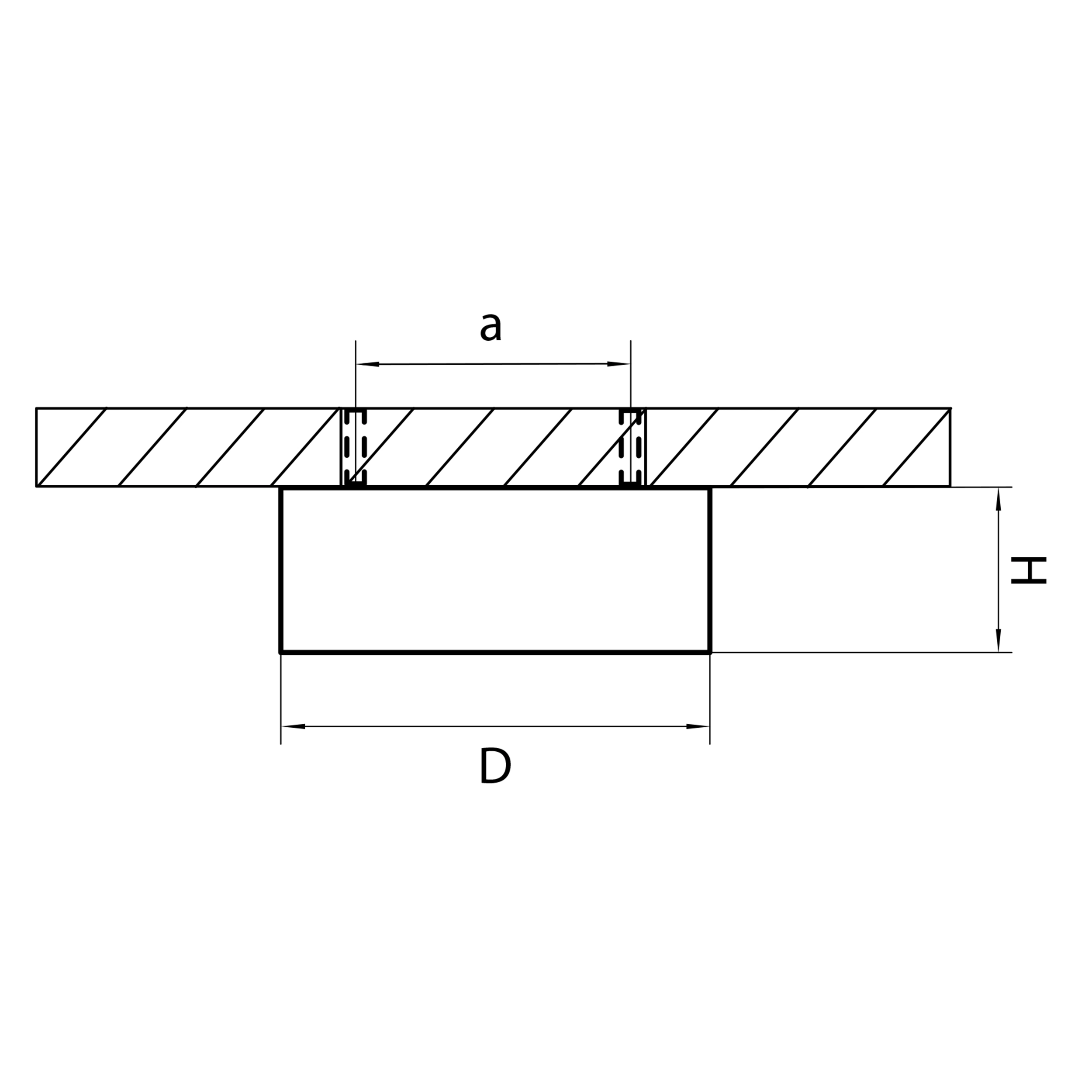
Габариты товара
Высота, мм
25
Min высота, мм
1
Max высота, мм
25
Диаметр, мм
70
Высота потолочной чаши, мм
20
Диаметр потолочной чаши, мм
60; 70
Вес, кг
0,106
Упаковка
Штрихкод
4620754519236
Войдите в учётную запись, чтобы мы могли сообщить вам об ответе
